Hallgivare för Vevaxel / Kamaxel

Supersnabb kvalitets industri hallgivare med inbyggd pull-up! Vilket innebär att den bara är att koppla upp mot spänning, jord och signal på ditt motorstyrsystem utan att varken koppla ett pull-up motstånd eller behöva aktivera det genom …

Artnr: 934555
Lagerstatus: Ej beställningsbar
Ej beställningsbar
575 kr
Varav moms: 115 kr
Produkten är slut i lager

Beskrivning

Supersnabb kvalitets industri hallgivare med inbyggd pull-up! Vilket innebär att den bara är att koppla upp mot spänning, jord och signal på ditt motorstyrsystem utan att varken koppla ett pull-up motstånd eller behöva aktivera det genom mjukvara.

Kan köras på antingen 5v eller 12v. 

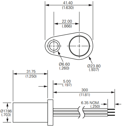
Flänsmontering. Se bild för exakta mått på kroppen.

Gänglåsning rekommenderas starkt!

Röd: 12v / 5v
Svart: Jord
Svart/Vit: Signal 

Maximalt avstånd till triggerhjul ca 2mm, se bild!

Liknande produkter

Även köpta produkter